型号 : TWA 10UU
品牌 : NB
标识 : TWA ..UU
货期 : 现货
价格 : 电询   021-58777261
在线订购支持
在线订购说明
为保障消费者权益,真正做到正品交易,杜绝假冒伪劣产品
除电话订购外,本产品支持 阿里巴巴诚信通 支付宝交易。
我公司阿里巴巴店铺地址: http://qtsy021.1688.com
可以与公司客服沟通进行线上交易。
021-58777261   
联系上海祈泰
本页展示产品可直接根据以下联系方式进行订购
021-58777261
18621636333

详细数据

订购指南

库存轴承型号: SPB-10
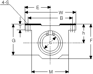
LINEAR RECIRCULATING BALL BEARINGS PILLOW BLOCKS - INCH 轴承尺寸
轴承尺寸 (inch) d .6250


F 1.6250
B 2.1250
C 1.1250
E 1.2500
h .8750
h1 -
W 2.5000
T .2812
L 1.9375
G 1.4375
M 1.7500
O -
S .1875

重量:磅
.530
进口轴承型号兑换 Barden FPB-10
NB TWA 10UU
Thomson SPB-10
1) Load ratings may vary between manufacturers.
库存其他型号
K-95 x 103 x 27轴承 KC-200 XPO轴承 W-6 1/2轴承
MM60BS120轴承 2204-2RS-TVH轴承 93318轴承
305-SFF轴承 BK 1812轴承 61807轴承
版权所有 © QT086.com All Rights Reserved