型号 : TWJ 24UU
品牌 : NB
标识 : TWJ ..UU
货期 : 现货
价格 : 电询   021-58777261
在线订购支持
在线订购说明
为保障消费者权益,真正做到正品交易,杜绝假冒伪劣产品
除电话订购外,本产品支持 阿里巴巴诚信通 支付宝交易。
我公司阿里巴巴店铺地址: http://qtsy021.1688.com
可以与公司客服沟通进行线上交易。
021-58777261   
联系上海祈泰
本页展示产品可直接根据以下联系方式进行订购
021-58777261
18621636333

详细数据

订购指南

库存轴承型号: SPB-24-ADJ
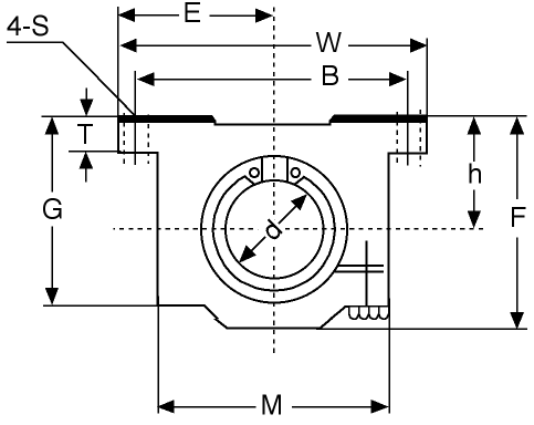
LINEAR RECIRCULATING BALL BEARINGS PILLOW BLOCKS - INCH 轴承尺寸 - ADJUSTABLE
轴承尺寸 (inch) d 1.5000

ADJUSTABLE

F 3.2500
B 4.1250
C 2.5000
E 2.3750
h 1.7500
h1 -
W 4.7500
T .5000
L 4.0000
G 2.8750
M 3.5000
O -
S .2812

重量:磅
4.190
进口轴承型号兑换 Barden -
NB TWJ 24UU
Thomson SPB-24-ADJ
1) Load ratings may vary between manufacturers.
库存其他型号
K-22 x 28 x 13轴承 K-18 x 23 x 20轴承 K-25 x 30 x 26../2轴承
SAF-613 2 3/16..ROLLER轴承 1206 E轴承 SJ7314轴承
AH 3260轴承 NNC 4936V.C3轴承 NU 419轴承
版权所有 © QT086.com All Rights Reserved